Главная » ЗАМКИ » Новинки
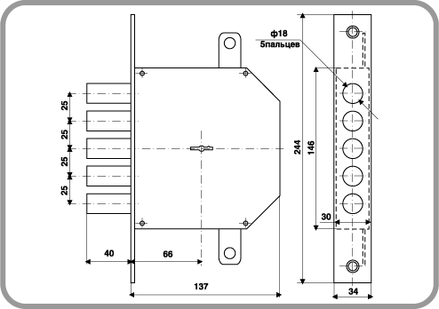
GS-ML 04-02 Скорпион
- На основе GS-SM 002
- Отличительными особенностями замков серии Scorpion являются:
- оригинальный ключ, установленная в корпусе замка отсечная втулка и кинематически связанная с ней пластина из термообработанной стали, препятствующие вскрытию замка отмычками.
Цена: 4120 р.
Заказать













